QX-21全自動罐裝包裝機
1.簡要說明
該系列罐裝機能完成喂罐、托罐、充填計量、稱重選別等工作,可與其它設備配套組成整套罐裝流水線,適用于充填眼影粉、閃粉、胡椒粉、辣椒粉、奶粉、米粉、蛋白粉、豆奶粉、雞粉、咖啡粉、藥粉、添加劑、香精香料等。
該系列罐裝機能完成喂罐、托罐、充填計量、稱重選別等工作,可與其它設備配套組成整套罐裝流水線,適用于充填眼影粉、閃粉、胡椒粉、辣椒粉、奶粉、米粉、蛋白粉、豆奶粉、雞粉、咖啡粉、藥粉、添加劑、香精香料等。

2.主要特征
全不銹鋼結構;水平開啟式料箱,清洗方便。
伺服馬達及伺服驅動控制螺桿,性能穩定。
PLC、觸摸屏及稱重模塊控制。
配有位置合理的高度調節手輪,方便調整機頭高度。
氣動托罐裝置,保證充填時物料不灑出容器外。
各種產品調整參數配方可儲存,備后使用,不超過儲存10個配方。
替換螺旋附件,能夠適應超細粉到小顆粒等多種物料。
3.主要參數
4.配置清單
全不銹鋼結構;水平開啟式料箱,清洗方便。
伺服馬達及伺服驅動控制螺桿,性能穩定。
PLC、觸摸屏及稱重模塊控制。
配有位置合理的高度調節手輪,方便調整機頭高度。
氣動托罐裝置,保證充填時物料不灑出容器外。
各種產品調整參數配方可儲存,備后使用,不超過儲存10個配方。
替換螺旋附件,能夠適應超細粉到小顆粒等多種物料。
3.主要參數
| 容器尺寸 | φ20-100mm,H 15-300mm |
| 罐裝重量 | 1 – 1000g |
| 罐裝精度 | ≤ 100g,≤±2%;100 – 500g,≤±1% |
| 罐裝速度 | 20 - 50 bottles/min |
| 電源 | 3P AC208-415V 50/60Hz |
| 壓縮空氣 | 6 kg/cm2 0.05m3/min |
| 整機功率 | 1.2Kw |
| 整機重量 | 200kg |
| 整機體積 | 1200×700×1900mm |
| 料箱容積 | 25L |
| 序號 | 名稱 | 型號規格 | 產地品牌 |
| 1 | 不銹鋼 | SUS304 | 中國 |
| 2 | PLC | 臺灣臺達 | |
| 3 | 觸摸屏 | 臺灣臺達 | |
| 4 | 充填伺服馬達 | 750W | 臺灣臺達 |
| 5 | 充填伺服驅動器 | 750W | 臺灣臺達 |
| 8 | 攪拌減速電機 | 200W | 臺灣晟邦 |
| 9 | 電磁閥 | 臺灣亞德客 | |
| 10 | 氣缸 | TN26X20 | 臺灣亞德克 |
| 11 | 過濾調壓器 | AFR-2000 | 臺灣亞德克 |
| 12 | 小功率電機 |
120W 1300rpm Model: 90YS120GY38 |
臺灣JSCC |
| 13 | 減速機 |
Ratio:1:36 Model: 90GK(F)36RC |
臺灣JSCC |
| 14 | 電源開關 | HZ5BGS | 溫州長信 |
| 15 | 斷路器 | 施耐德 | |
| 16 | 急停開關 | 施耐德 | |
| 17 | 濾波器 | ZYH-EB-10A | 北京中宇豪 |
| 18 | 交流接觸器 | CJX2 1210 | 溫州正泰 |
| 19 | 熱繼電器 | NR2-25 | 溫州正泰 |
| 20 | 直流繼電器 | MY2NJ 24DC | 日本歐姆龍 |
| 21 | 開關電源 | 常州誠聯 | |
| 22 | 光電傳感器 | BR100-DDT | 韓國奧托尼克斯 |
| 23 | 料位傳感器 | CR30-15DN | 韓國奧托尼克斯 |
5.工作原理
罐子進入輸送帶,罐子隨鏈板向前移動,當罐子被探罐光電感應到后,止罐汽缸動作,將罐子限位,然后托罐汽缸動作將罐子托起,伺服電機動作,帶動螺旋將物料填充到罐子中,在下料的過程中,氣震產生振動使物料容易沉積,充填計量完畢,伺服電機停止,汽缸復位,完成一次計量包裝。
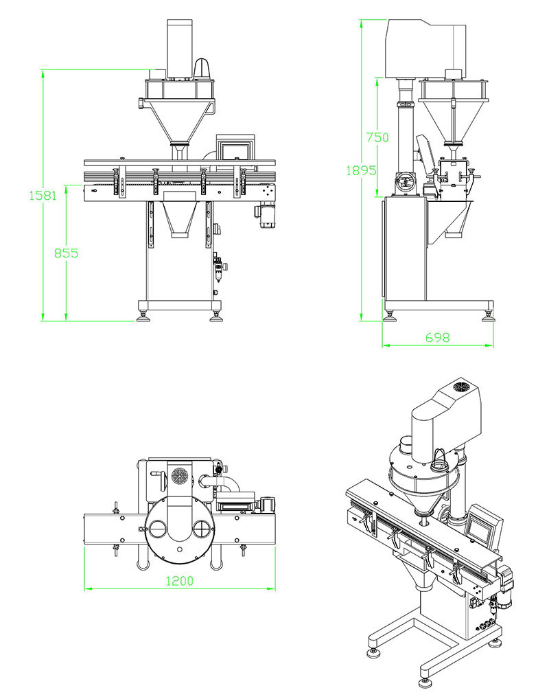
6.整機尺寸
罐子進入輸送帶,罐子隨鏈板向前移動,當罐子被探罐光電感應到后,止罐汽缸動作,將罐子限位,然后托罐汽缸動作將罐子托起,伺服電機動作,帶動螺旋將物料填充到罐子中,在下料的過程中,氣震產生振動使物料容易沉積,充填計量完畢,伺服電機停止,汽缸復位,完成一次計量包裝。
6.整機尺寸

上一篇:BZ-24C螺旋計量包裝機
下一篇:XY-QX-23型自動罐裝包裝機

快速鏈接:
產品展示:
聯系我們:
蘇公網安備32020602003192號